TP series

Thermopiles are IR temperature sensors that fully utilize SEMITEC original silicon-micromachining technology. SEMITEC’S thermopiles are fully compliant with RoHS DIRECTIVE2011/65/EU.

Thermopiles Thermistor sensor , TP Thermistor sensor

Applications

Ear thermometers, IR thermometers, microwave ovens and other non-contact temperature sensing applications.


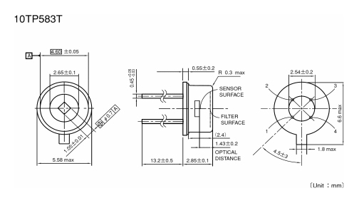
Dimensions

Thermopiles Thermistor sensor , TP Thermistor sensor

Connection Diagram

Thermopiles Thermistor sensor , TP Thermistor sensor

Rating

Parameters Value Unit Conditions
Sensitive area 1.05×1.05 mm2 Size of Absorbing Film
Responsivity 15±30% V/W  
Output Voltage1 200±30% μV  
Output Voltage2 1.00±30% mV  
Temperature Coefficient of Responsivity1 0.02±0.02 %/℃ Reference
Thermopile Resistance
65±30%  
Temperature Coefficient of Thermopile Resistance ±0.1 %/℃  
Johnson Noise Voltage 33 nV/√Hz Johnson Noise r.m.s.,298K,1Hz Typical
S/N Ratio1 75.7 dB Output Voltage / Johnson Noise,Typical
Noise Equivalent Power1 2.2 nW/Hz1/2 Typical
Specific Detectivity1 4.7×107 cm・Hz1/2/W Typical
Time Constant 15 ms Typical
Operating Temperature Range -20〜100  
Storage Temperature Range -40〜100  
Filter Range Cut on 5 μm Standard
Field of View ±50 deg. Incident Angle to Achive 50% Responsivity
Insulation Resistance ≧500 Application of DC25V
Sealing ≦1×10-9 Pa・m3/s  
Thermistor Resistance Value 100+3% Rated zero-power resistance Value at25℃
Thermistor B-Value 3435±0.7% K Determined by rated zero-power
resistance value at25℃ and 85℃
Variation within same Lot. ±0.2%

1. Test Conditions

Sensor - Blackbody Distance: 100mm

Sensor Temperature: 298K

Aperture Size: φ12.7mm

2. Test Conditions

Blackbody Furnace:310K

Sensor Temperature: 298K

Top